SP6530
一顆高性能的開關電源次級側同步整流控制電路
詳細介紹
文檔與工具
樣品及購買
SP6530是一顆高性能的開關電源次級側同步整流控制電路。在低壓大電流開關電源應用中,輕松滿足6級能效,是理想的超低導通壓降整流器件的解決方案。芯片可支持高達150KHz的開關頻率應用,并且支持CCM / QR / DCM等開關電源工作模式應用,其極低導通壓降產生的損耗遠小于肖特基二極管的導通損耗,極大提高了系統的轉換效率,大幅降低了整流器件的溫度。高達1A的峰值電流驅動能力可確??焖匍_通和關斷外部的大電流MOSFET器件,獲得優異的轉換效能,輸出電壓鉗位功能使得高供電電壓下柵極仍然安全可靠。
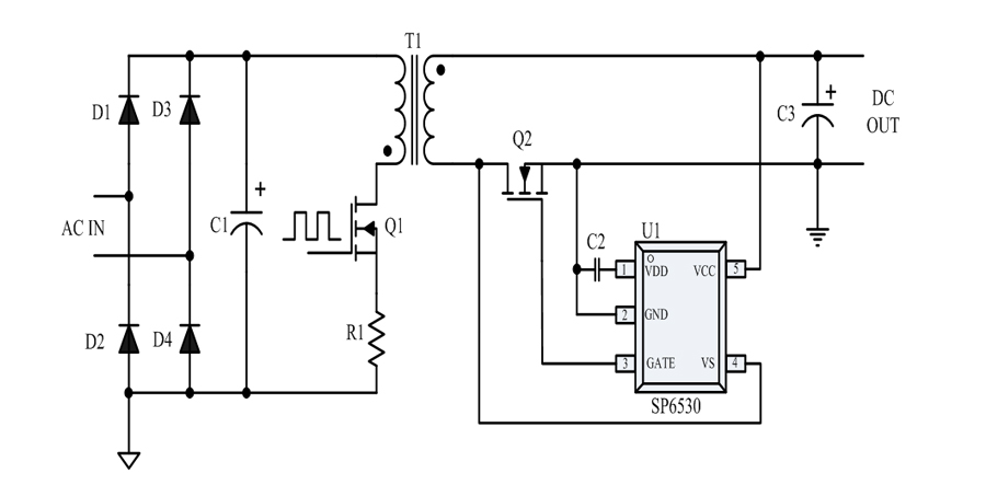
典型應用框圖
應用
● 支持開關電源CCM/QR/DCM模式
● 極佳的自供電同步整流應用,實現3.3V輸出
● VS采樣管腳高達150V耐壓
● 較傳統肖特基提升效率2~6%
● 靜態工作電流可低至600μA
● 支持開關電源頻率最高至150KHz
● SOT23-5封裝形式
● 3.3V-20V快充電源應用
● 多口USB充電器
● 低壓大電流開關電源
樣品及購買
樣片申請
推薦產品
